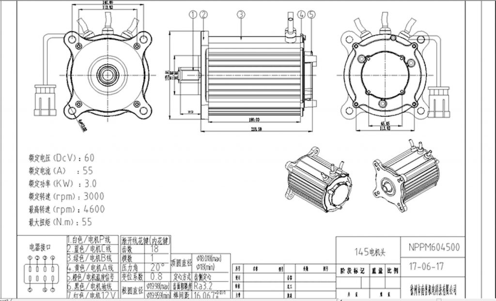
Мотор может поставляться с контроллером и без него (цена указана за мотор с контроллером)
Также возможно мотор укомплектовать редуктором
сайт производителя http://www.jsnpjd.com
мотор хорошо подойдет для низкоскоростного электромобиля, электричиские трициклы, грузовые электромобили

При оптовых заказах возможны скидки, свяжитесь для уточнения цены

Китайский электромобиль является четырехместным, а оформление салона весьма спартанское. Все электромобили укомплектованы камерой заднего вида, магнитолой и центральным замком. Электромотор развивает от 1,5-5 кВт (2 л. с.) и позволяет достигать 45-90 км/ч. Свинцовые аккумуляторы обеспечивают запас хода в 120 км, а зарядить их можно за 8 часов. Однако следует учитывать, что в ПДД Украины для […]